PAUT IIW Calibration Block ISO 19675 Phased Array Ultrasonic Testing Standard Block

1 pcs
MOQ
PAUT IIW Calibration Block ISO 19675 Phased Array Ultrasonic Testing Standard Block
Features Gallery Product Description Chat Now
Features
Specifications
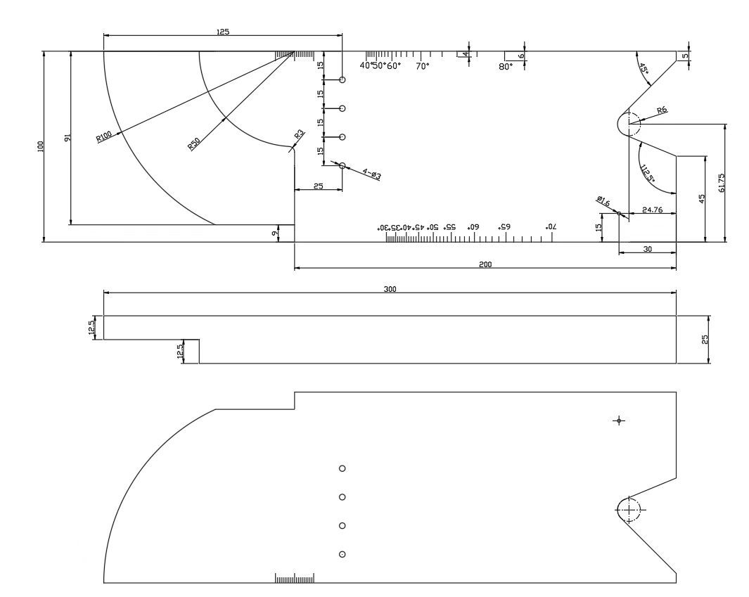
Product: PAUT IIW Block, ISO 19675
Application: Phased Array Ultrasonic Testing (PAUT) Calibration
Materials: Carbon Steel 1018, Stainless Steel 304/316, Duplex Steel 2205, Aluminum
Dimensions: 25mm(W) × 100mm(H) × 300mm(L)
Weight: 6kgs
Certificate: With Certificate
Highlight:

PAUT iiw calibration block

,

ISO 19675 iiw calibration block

,

Aluminum calibration block for paut

Basic Infomation
Place of Origin: CHINA
Brand Name: TESTECH
Certification: CE; ISO
Model Number: PAUT IIW
Payment & Shipping Terms
Packaging Details: In Carton
Delivery Time: 5-8 days
Payment Terms: T/T,Western Union,Paypal
Supply Ability: 500 pcs
Product Description
PAUT IIW Block with ISO 19675 standard

The PAUT IIW Block, made in accordance with ISO 19675 was designed by an international committee of NDT experts with the express purpose of creating a globally accepted, standardized block for Phased Array Ultrasonic calibrations. Before the development of this spec, there were no international standards describing a specific block for calibrating PAUT systems.

Dimensions: 25mm wide 100mm x 300mm ( W x H x L), with 100mm and 50mm radius.

ISO19675:2017 specifies the requirements for the dimensions, material and manufactures of a steel block for calibrating ultrasonic test equipment used in ultrasonic testing with phased array technology.

Material: carbon steel 1018, stainless steel 304/316, duplex stainless steel 2205,aluminum 6063/7075,nodular cast iron and other materials.

The process starts with high-quality, fine-grained steel, produced in a special size by our preferred mill. Material selection is followed by heat treatment, flaw detection, material attenuation check, material velocity checks (longitudinal and transverse wave,) machining and surface finish preparation, block identification, in-house nickel-plating, and preparation of a comprehensive documentation package.

Recommended Products
Get in touch with us
Contact Person : Linda
Tel : +86 13488765676
Characters Remaining(20/3000)